НОВОСТИ
КАТАЛОГ
- Профили ПВХ для окон и дверей
- Доборный профиль ПВХ
- Уплотнители EPDM и TPV
- Монтажные материалы
- Алюминиевые светопрозрачные системы
- Нащельники Наличники Фальшпереплёты
- Рамки дистанционные и герметики
- Уплотнители Schlegel и Q-Line
- Тёплые подставочные, выносные и цокольные профили
- Алюминиевый профиль PROVEDAL
- Сотовые шторы DANIEL INTERIOR TENDA
- Портальная фурнитура CS PSK FS HS
- Москитный профиль и сетка
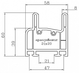
- Армирующий профиль
- Оконная и дверная фурнитура
- Закаленное стекло и стеклопакеты
- Оборудование для оконных компаний
- Пильные диски, фрезы, сверла
- Оконные фильтры и клапаны
- Профили для отделки откосов
- Профили для натяжных потолков и светильников
- Дверные готовые заполнения DANIEL INTERIOR
- Ламинация и окраска профилей
- Продажа и покупка отходов ПВХ
- Подоконники и ремонтные накладки
- Безрамные системы остекления Слайд, Книжка, Гильотина
- Термовставки, спейсеры, термомосты
- Термокороба и термооткосы
- Термоизоляторы для АЛ окон
- Строительная химия
- Защитные пленки для ПВХ и алюминия
- Фрезы и Цулаги для ПВХ и АЛ
- Сэндвич панели ПВХ
- Бордюрная лента и ценникодержатели
- Приборы для измерения цвета и глянца
- Производство профилей под заказ
ИНФОРМАЦИЯ
О КОМПАНИИ
Цитаты
«Искусство управления состоит в том, чтобы не позволять людям состариться в своей должности».
"Наполеон Бонапарт"








